Contact Us
- No.188 Jinjiang Raod, Dinghuo Town, Jiangdu District, Yangzhou City, China
- sales@cdpowerfitting.com
- +86-514-86978288

Power Accessories Link Fittings Q Type Ball Eye for Overhead Transmission Pole Line Hardware
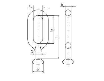
The ball eye or ball clevis for power line is made of hot-dip galvanized steel. The sizes can be designed according to requirements.
Description
We always maintain an understanding of the latest research trends in [Wedge Type Clamp, Galvanized Tension Clamp, Hanging Suspension Bracket field. Customer service is the only reason for our existence, customer demand is the driving force of our development. We adhere to customer-oriented, rapid response to customer needs, continue to create long-term value for customers, and then achieve customer success. Our products and services are all based on meeting the needs of customers. We sincerely hope to establish business relationship with customers from all over the world on the basis of quality, mutually benefit. With the excellent product quality, favorable product prices and considerate after-sales service, we have won unanimous praise from customers.
Descriptions:
The ball eye or ball clevis for power line is made of hot-dip galvanized steel. The sizes can be designed according to requirements.
Application:
The ball eye for power line is used to attach ball and socket insulators to other associated hardware.
Catalog | Dimensions (MM) | Breaking Load (KN) | Weight (KG) | |||||
Φ | H | H1 | C | D | B | |||
QH-7 | 33.3 | 114 | 57 | 24 | 17 | 16 | 70 | 0.6 |
QH-10 | 33.3 | 110 | 60 | 22 | 17 | 18 | 100 | 0.8 |
QH-12 | 33.3 | 120 | 70 | 22 | 17 | 18 | 120 | 0.9 |
QH-16 | 41.0 | 127 | 80 | 34 | 21 | 20 | 160 | 1.2 |
QH-21S | 41.0 | 155 | 100 | 34 | 21 | 20 | 210 | 1.2 |
QH-25S | 49.0 | 165 | 100 | 34 | 25 | 24 | 250 | 1.8 |
QH-32S | 49.0 | 175 | 110 | 34 | 25 | 28 | 320 | 2.2 |


We thinks what buyers think, the urgency of urgency to act during the interests of a purchaser position of theory, allowing for much better high-quality, reduced processing costs, charges are more reasonable, won the new and outdated consumers the support and affirmation for Power Accessories Link Fittings Q Type Ball Eye for Overhead Transmission Pole Line Hardware. We've got set up a wide sales network across all over the world. To supply prospects with superb equipment and providers, and constantly build new machine is our company's organization objectives.
Hot Tags: ball eye for power line, China, manufacturers, suppliers, factory, customized, mining earthing system, Claw Bolt Screw, earthing rod, hospital earthing system, Forged Socket Tongue, fitting splicing gasket
You Might Also Like









